Detail
Overview
BH-0.66II series current transformers are suitable for current and energy measurement or relay protection in AC lines with rated frequency of 50Hz and rated voltage of 0.66kV and below. The product is a plastic shell type current transformer, which is widely used in complete sets of cabinets. Its installation method can adopt busbar fixing and bottom plate fixing installation method, which is suitable for installation in any direction. The primary conductor can be busbar or cable. Standard: GB20840.1,GB20840.2
Model Meaning

Normal Working Conditions and Installation Conditions
1. Installation place: indoor;
2. Ambient temperature:-5。C ~ 40 °C, daily average not exceeding 30 °C;
3. Altitude: not more than 1000m;
4. Atmospheric conditions: when the maximum temperature is +40。C, the relative humidity of the air shall not exceed 50%, and at lower temperature, the allowable relative humidity shall not exceed 80%;5. There is no serious pollution in the atmosphere, and there is no gas and conductive dust in the medium that can corrode metal and damage insulation. 6. There is no severe vibration or turbulence in the installation site; 7. The installation site is not directly irradiated by sunlight, no rain and snow erosion and serious mold.
Product Parameters
| Current Ratio | Rated Secondary Load (VA) | Window Turns |
| Class 1.0 | Class 0.5 | Class 0.5S | Class 0.2 | Class 0.2S |
| 400/5 | 5 | 5 | 5 | 5 | 5 | 1 |
| 500/5 | 5 | 5 | 5 | 5 | 5 | 1 |
| 600/5 | 5 | 5 | 5 | 5 | 5 | 1 |
| 750/5 | 10 | 10 | 10 | 10 | 10 | 1 |
| 800/5 | 10 | 10 | 10 | 10 | 10 | 1 |
| 1000/5 | 10 | 10 | 10 | 10 | 10 | 1 |
| 1200/5 | 10 | 10 | 10 | 10 | 10 | 1 |
| 1500/5 | 10 | 10 | 10 | 10 | 10 | 1 |
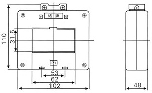
Installation Dimensions
